Egzamin
Krótkofalarski
Egzamin
Krótkofalarski
Zestaw
Pytań
Nowy
Stary
Gość
Gość
Zaloguj się
Zarejestruj
Zestaw Pytań
Nowy
Stary
WSZYSTKIE
RADIOTECHNIKA
BHP
PROCEDURY I ZWYCZAJE OPERATORSKIE
PRZEPISY DOTYCZĄCE RADIOKOMUNIKACYJNEJ SŁUŻBY AMATORSKIEJ
RADIOTECHNIKA
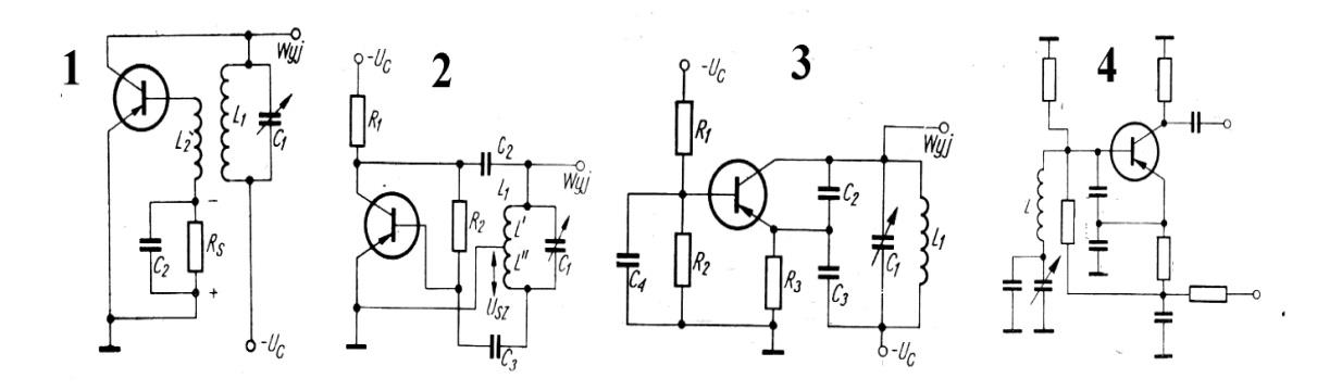
140.
Na rysunku przedstawiono kilka układów generatorów. Są one ponumerowane od 1 do 4. Wybierz pod która literą znajdują się poprawne nazwy generatorów zgodne z kolejnością ich narysowania.
a.
Meissner , Hartley, Colpitts, Clapp
b.
Colpits, Hartley, Clapp, Meisner
c.
Clapp, Colpitts, Hartley, Meissner
Następne
Losowe